ID : 7217
専用機能信号 / 汎用信号の接続回路
ここでは、Mini I/Oの専用機能信号および汎用信号を、外部機器と接続する際の回路構成について記載しています(専用機能信号および汎用信号は、"I/O割付"の表の
マークまたは、
マークがついている信号です)。
専用機能信号および汎用信号は、信号用の電源が必要です。また、COBOTTAには、信号に加える電圧の極性によって、2種類の内部回路が用意されています。
上記の内容について、以下の順で説明します。
入力信号/出力信号の接続回路
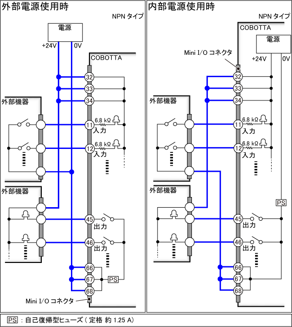
Mini I/Oの入力回路の模式図を下図に示します。

上図のMini I/Oコネクタに記載している番号は、端子番号です。32番~34番は+24V用の端子です。11番端子は入力信号です 。COBOTTAの内部では、32番~34番の端子と11番の端子が上図のようにつながっています。
外部機器の内部のスイッチを閉じると、上図右のように、COBOTTA内部のランプに電流が流れ、ランプが光ります。ランプが光ることにより、COBOTTAは、外部機器のスイッチが閉じたことを認識します。
(実際には、スイッチやランプは小さな素子として、製品に組込まれています。)
なお、上図のように電源を別途用意して使用する場合、"外部電源"を使用する、と言います。COBOTTA内部にも電源があり、この電源を利用する場合は、"内部電源"を使用する、と言います。内部電源については、このページで後述しています。
工場出荷時は、内部電源を使用する設定になっています。外部電源を使用するには、COBOTTAの設定が必要です。設定は、COBOTTAのプログラミング用ソフトウェアで行います。設定方法については"I/Oパラメータの表示・変更"を参照してください。
出力回路の模式図は下図のとおりとなります。

Mini I/Oコネクタの66番~68番の端子は0V用の端子です。45番端子は出力信号です。出力回路では、COBOTTA内部のスイッチの状態を、外部機器に伝えることになります。COBOTTA内部のスイッチを閉じると、外部機器内部のランプが光ります。ランプの光によって、外部機器はCOBOTTA内部のスイッチが閉じたことを認識します。
このように、信号を伝達するために、電源電圧を使用する接続方法を、入力信号に対しては"電圧入力"、出力信号に対しては"電圧出力"と呼びます。専用機能信号および汎用信号の信号はすべて、電圧入力または電圧出力です。
なお、上の2つの図の内容は"NPNタイプ"の回路構成です。"PNPタイプ"については、この後の"電圧の極性 (NPNタイプ/PNPタイプについて)"を参照してください。
電圧の極性 (NPNタイプ/PNPタイプについて)
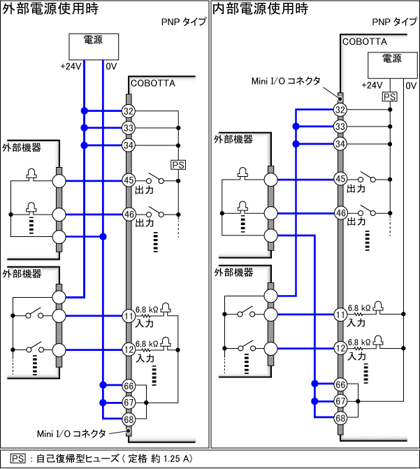
下の図は、入力回路、出力回路の模式図です。

上の2つの図のように、入力信号は電流が流れ込む、出力信号は電流が流れだす、というように電圧を加える回路構成を"PNPタイプ"と呼びます。その逆のタイプを"NPNタイプ"と呼びます。
COBOTTAは、Mini I/Oの内部回路が、"PNPタイプ"のものと、"NPNタイプ"のものがあります。ご注文時にどちらのタイプかを選択してください。
どちらのタイプにするかは、接続する外部機器によります。外部機器のタイプと同じタイプを選択してください。
内部電源の利用
信号用の電源として、COBOTTA内部にある電源を利用することができます。
内部電源を使用する場合の、入力回路、出力回路の模式図は、下図のようになります。

内部電源の最大許容電流は1.3 Aです。各信号線に流れる電流の総合計が1.3 Aを超える場合は、その電流以上の電流を流せる外部電源を使用してください。
なお、上図はPNPタイプの回路構成です。NPNタイプでの回路構成については、この後の"NPNタイプ/PNPタイプの入出力回路および、接続時の注意事項"を参照してください。
NPNタイプ/PNPタイプの入出力回路および、接続時の注意事項
NPNタイプ入出力回路

PNPタイプ入出力回路

接続時の注意事項
- 上記回路の青色の線の部分を、Mini I/Oケーブル (オプション)で配線することになります。
- 実際に、COBOTTAの内部回路には、上記回路のように自己復帰型ヒューズが付いています。自己復帰型ヒューズは、回路に過電流が流れることを防止する素子です。配線間違いや、配線同士の短絡などにより、回路に自己復帰型ヒューズの定格値を超える電流が流れると、自己復帰型ヒューズの温度が上昇し、微小な電流しか流れないようになります。その場合は、まず、COBOTTAと、COBOTTAに接続している機器の電源を切ります。その後、過電流の原因を排除し、自己復帰型ヒューズの温度が下がるのを待ってから、各機器の電源を入れてください。
- 入力信号には電流を制限する抵抗がつながっています(上記回路に記載してあります)。
- 入力信号に近接スイッチを接続する場合は、漏れ電流が1 mA以下の近接スイッチをご使用ください。
-
内部電源使用時は、+24V端子(32番~34番の端子)は接地しないでください。
+24V端子を接地すると、COBOTTAが破損するおそれがあります。
- 出力信号の最大許容電流は70mAです。PLC・リレーコイルなど接続する機器の消費電流は、必ず許容電流以下としてください。
-
出力信号にリレーコイルなどの誘導負荷は、ダイオード内蔵型 (逆起電力吸収用) のものを選定してください。ダイオードが内蔵されていないものを使う場合は、コイルのすぐ近くに、ダイオード1S1888 (東芝) 相当品を取付けてください。
ダイオードを外付けにする場合は、ダイオードの極性に注意してください。極性を誤ると、出力回路を破損させるおそれがあります。
-
出力信号にランプを接続する場合は、ランプの定格を0.5 W以下にして、出力信号がOFF(内部のスイッチが開いている)となっても、ランプに微小電流("暗電流")が流れる回路としてください。
下図は暗電流が流れる回路の例です。抵抗Rの抵抗値は、出力信号がOFF(内部のスイッチが開いている)の時に、ランプの定格電流の1/3以下の電流が流れるような値にしてください。

ランプは初期抵抗が小さいため、暗電流を流しておかないと、点灯時に大電流("突入電流")が流れてしまいます。突入電流が流れた場合、出力回路が破損する可能性があります。
- COBOTTAの電源投入後、ソフトウェア起動処理が完了するまで、入力信号への電圧印加および出力信号の使用は、避けてください。
安全用信号と共通の注意事項
下記の注意事項は、専用機能信号 / 汎用信号に対しての注意事項であり、また、安全用信号に対する注意事項でもあります。
- 入力端子には規定の電圧(24V±10%)を正しく印加してください。定格以上の電源を接続すると規定の機能が発揮されず、安全機能の低下、製品自体の破損、焼損の原因になります。
- Mini I/Oケーブルは高圧線、動力線から離して配線してください。
- Mini I/Oケーブルを無理に曲げたり引っ張ったりしないでください。断線する恐れがあります。
- 配線を行う際は、必ず電源を切った状態で行ってください。
-
Mini I/Oの電源に外部電源を使用する場合、外部電源を供給せずにCOBOTTAの電源を投入したり、COBOTTAの電源投入より遅れて外部電源を供給すると、エラーが発生しCOBOTTAを動作させることができません。
COBOTTAの電源投入前に、外部電源が供給されるようにしてください。
モータの状態の表示方法
モータの状態 (ON / OFF)を、表示灯で表示したい場合、専用機能信号を利用して表示することができます。
フィールドネットワークインターフェースモジュールを使用しない場合は、"運転準備完了"という専用機能信号を使用します。
フィールドネットワークインターフェースモジュールを使用する場合は、"サーボON中"という専用機能信号を使用します。
詳細は、下記リンク先を参照してください。
ID : 7217

