ID : 7217
专用信号/通用信号的连接回路
此处对于Mini I/O的专用功能信号以及通用信号与外部设备连接时的回路构成进行了记述(专用功能信号以及通用信号为”配置I/O”表中
标记或
标记的信号)。
专用功能信号以及通用信号需要信号用电源。另外,为对应施加到信号上的电压极性差异,COBOTTA上准备了2种内部回路。
关于以上说明按照如下顺序进行说明。
输入信号/输出信号的连接回路
Mini I/O的输入回路模式图如下图所示。

上图Mini I/O端子所标示的编号即为端子编号。32号~34号为+24V用的端子。11号端子为输入信号。在COBOTTA内部32号~34号端子与11号端子的连接方式如上图所示。
当关闭外部设备的内部开关时,如上图右侧所示,电流通过COBOTTA内部指示灯后,指示灯亮起。通过指示灯亮灯,可以判断COBOTTA外部设备的开关已经关闭。
(开关以及指示灯等实际上也作为小元件被装配到产品中。)
另外,如上图所示需要另行准备使用电源时,我们称之为使用”外部电源”。COBOTTA内部也有电源,使用该电源时,我们称之为使用“内部电源”。关于内部电源,我们会在该页的后半段描述。
出厂时,为使用内部电源设定。需要设定COBOTTA,以使用外部电源。通过COBOTTA编程用软件进行设定。关于设定方法,请参照“I/O参数的显示、变更”。
输出回路的模式图如下图所示。

Mini I/O端子的66号~68号端子为0V用端子。45号端子为输出信号。输出回路将会把COBOTTA内部开关的状态反馈给外部设备。当关闭COBOTTA内部的开关时,外部设备内部指示灯将亮起。通过指示灯亮灯,可以判断外部设备已关闭COBOTTA内部开关。
像这样,在传达信号时,我们将使用电源电压的连接方法称之为,输入信号称之为”电压输入”,输出信号称之为”电压输出”。专用功能信号以及通用信号之信号均属于电压输入或电压输出。
另外,上2图的内容为”NPN类型”的回路构成。"关于PNP类型,请在之后参照“电压的极性 (关于NPN类型/PNP类型)”。
电压的极性 (关于NPN类型/PNP类型)
下图为输入回路、输出回路的模式图。

如上2副图所示,输入信号时电流进入,输出信号时电流输出,像这种施加电压的回路构成,我们称之为“PNP类型”。与之相反的类型我们称之为“NPN类型”。
COBOTTA中的Mini I/O内部回路有”PNP类型”和”NPN类型”。请在购买时选好具体的类型。
具体选择哪种类型凭借所连接的外部设备进行判断。请选择与外部设备相同的类型。
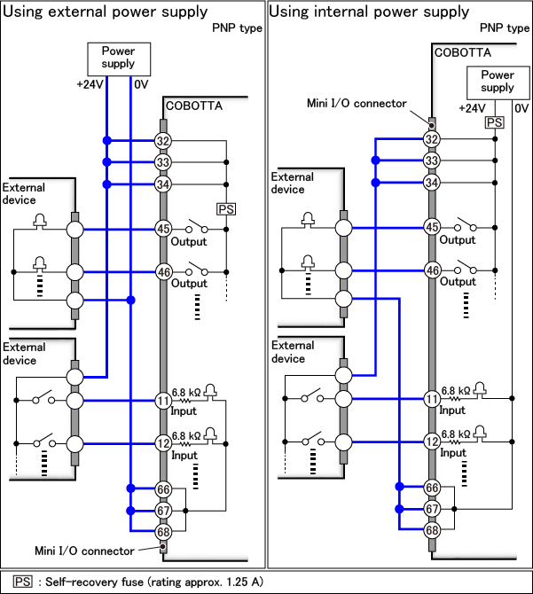
使用内部电源
可使用COBOTTA内部电源作为信号用电源。
使用内部电源时,输入回路、输出回路模式图如下图所示。

内部电源的最大允许电流为1.3 A。流入各信号线的总电流值超过1.3 A时,请使用大于此电流值的外部电源。
另外上图为PNP类型的回路构成。关于NPN类型的回路构成,请在之后参照”NPN类型/PNP类型的输入输出回路以及连接时的注意事项"。
NPN类型/PNP类型的输入输出回路以及连接时的注意事项
NPN类型输出入回路

PNP类型输出入回路

连接时的注意事项
- 上记回路的蓝线部分是由Mini I/O电缆 (选件)进行配线的。
- 在COBOTTA内部回路上附带有上记回路所示的自我复位型保险丝。自我复位型保险丝是起防止过大的电流进入回路作用的元件。如出现配线错误、配线间短路等问题时,回路中流入超过自我复位型保险丝额定值的电流时,自我复位型保险丝将会升温,并只允许微小的电流通过。此时切断COBOTTA以及连接COBOTTA设备的电源。之后排除过大电流的原因,等待自我复位型保险丝降温后,再启动各设备电源。
- 输入信号上连接有限流电阻(上记回路已记载)。
- 用输入信号连接接地开关时,请使用漏电电流低于1 mA的接地开关。
-
使用内部电源时+24V端子(32号~34号端子)请勿接地。
如用+24V端子接地,将会导致COBOTTA破损。
- 输出电源的最大允许电流为70mA。与PLC・继电器线圈等连接的设备消耗电流必须低于允许电流。
-
对于输出电流中的继电器线圈等的感应负载,请选定二极管内置型的产品(反电动势吸收用)。使用二极管非内置型时,请靠近线圈安装相当于1S1888(东芝)的二极管产品。
将二极管外装时,请注意二极管的极性。如果搞错极性,则可能造成输出电路破损。
-
在输出信号上连接指示灯时,请将指示灯的额定功率定为0.5 W以下,即使输出信号为OFF(打开内部开关),确保形成指示灯上只通过微小电流(暗电流)的电路。
下图为通过暗电流的回路示例。电阻R的电阻值在输出信号为OFF(内部开关打开时)时,请将电流值设置为指示灯额定电流1/3以下的值。

由于指示灯初始电阻小,如果不使用暗电流将导致亮灯所需的大电流(”涌入电流”)直接涌入。当发生涌入电流时,将导致输出电流破损。
- COBOTTA电源接通至软件启动处理完成期间,请避免向输入信号施加电压或使用输出信号。
安全用信号和一般注意事项
以下注意事项是针对专用功能信号/通用信号的注意事项,也是针对安全信号的注意事项。
- 请在输入端子正确加载规定电压(24V±10%)。如果连接额定以上的电源,将无法发挥既定功能,导致安全功能降低,产品本身损坏、烧损。
- 请在配线时,将Mini I/O信号用电缆远离高压线、动力线。
- 请勿强行折弯或拉伸Mini I/O电缆。否则可能导致断线。
- 进行配线时,请务必在切断电源的状态下进行。
-
如果Mini I/O的电源使用外部电源,则不进行外部供电而是接通COBOTTA的电源,或是晚于接通COBOTTA进行外部供电时,就会发生错误,使机器人动作。
请在接通COBOTTA的电源前,供给外部电源。
电机状态的显示方法
希望以显示灯显示电机的状态 (ON / OFF)时,可利用专用功能信号显示。
不使用现场网络接口模块时,使用“运行准备完成”专用功能信号。
使用现场网络接口模块时,使用“伺服ON时”专用功能信号。
详细内容请参照以下链接位置。
ID : 7217

