ID : 2347
[NPN型] RC8A 安全电路
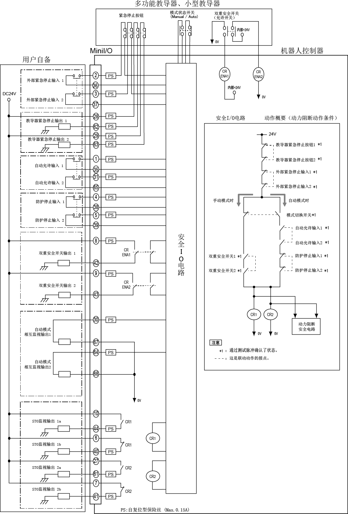
控制器的安全电路的内部连接等效电路如下图所示。实际的安全电路由安全继电器等构成。
安全电路

无法看清上图时请点击此处。(PDF:246KB)
紧急停止和防护停止、自动允许OFF时的停止状态的不同
- 紧急停止时,电机切断、程序复位(但连续设定的连续参数为默认(0:无效)时)
- “防护停止”、“自动允许OFF”时,电机电源切断,处于连续停止状态
ID : 2347
ID : 2347
控制器的安全电路的内部连接等效电路如下图所示。实际的安全电路由安全继电器等构成。

无法看清上图时请点击此处。(PDF:246KB)
ID : 2347