ID : 3470
COBOTTA用電動バキューム
電動バキュームの先端には、真空パッドを取り付けるパッドホルダがついています。真空パッドおよびパッドホルダは、お客様の用途に合わせて交換することができます。

真空パッドを変更しパッド径を大きくすると、吸着できるワークの重量が大きくなります。ただし、COBOTTA本体の可搬質量の制限がありますので、吸着するワークはそちらも考慮して決定してください。
真空パッドの交換
工場出荷時は、日本ピスコ社製のφ20mm の真空パッド(VP20PN) が付いています。
真空パッド(VP20PN)の系列の真空パッドであれば、パッドホルダの先端から真空パッドを外し、使用したい真空パッドをはめるだけで交換できます。

パッドホルダの交換
工場出荷時は、日本ピスコ社製のパッドホルダ(VPF20PN) が付いています。
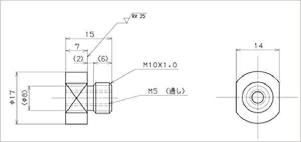
パッドホルダ取り付け部分の構造は、以下の図のようになっています。

特にスプリング式のパッドホルダを使用される際はストローク分含め、取り付けねじ部の長さが12.5mm以内になるものを選定してください。M10×1.0のねじ穴に取付けられるパッドホルダおよび真空パッドであれば、直接電動バキュームに取り付けることができます。
パッドホルダを下図に示す方向へ回すことで、取り外しと取り付けができます。

M10×1.0以外のパッドホルダを取り付ける場合は、変換アダプタが必要になります。
変換アダプタは、以下の図面を参考に制作してください。参考図面ではM10×1.0をM5通し穴に変換しています。

ID : 3470

