<< 向前        下一页 >>

ID : 11062

MC9系列支持伺服放大器

和MC9系列支持伺服放大器连接时,需要对MC9系列项目进行设定。

关于设定内容,请参照“启动MC9系列时”

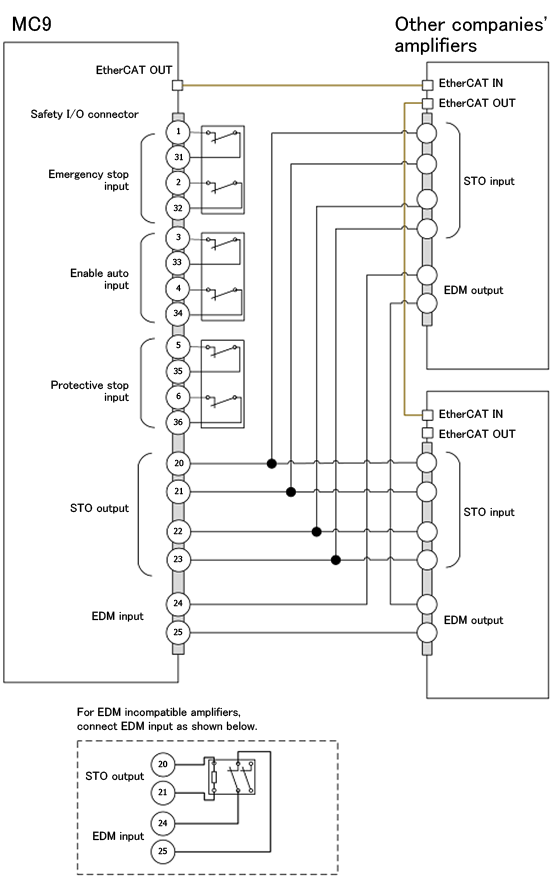
连接MC9系列支持放大器时的连接示例如下所示。

系统图

连接示例

ID : 11062

<< 向前        下一页 >>