ID : 104
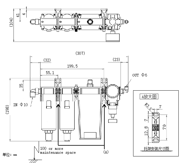
洗气单元

请务必在与机器人本体连接前,将洗气单元输入机器人的压力设为0.03MPa以下。
规格
使用条件范围
| 使用流体 | 压缩空气 |
| 最高使用压力 | 0.85 MPa |
| 最低使用压力 | 0.3 MPa |
| 环境温度和使用流体温度 | -5~55℃(无冻结) |
基准性能
| 出口空气气压露点 | -20℃ |
基准性能条件
| 入口空气流量 | 128 L/min (ANR) |
| 出口空气流量 | 100 L/min (ANR) |
| 洗气空气流量 | 25L/min(ANR) |
| 入口气压 | 0.7MPa |
| 入口空气温度 | 25℃ |
| 入口空气饱和温度 | 25℃ |
| 环境温度 | 25℃ |
| 露点检测仪洗气空气流量 | 1 L/min (ANR) (入口气压 0.7 MPa时) |
| 微细油雾分离器公称过滤精度 | 0.01 µm (过滤效率99.9%) |
| 精密减压阀空气消耗量 | 3L/min(ANR)(入口气压0.7 MPa时) |
| 精密减压阀设定压力 | 0.005~0.2MPa |
| 质量 | 1.9 kg |
“ANR”表示换算为20℃大气压的状态值的流量。
洗气单元不是防水规格。请安装在不会接触到水的场所。
PURGE空气压力
PURGE空气压力需在以下的数值下使用。如果错误使用高压力,则可能会丧失抗环境性能。
| 输入空气压力 | 0.01~0.03MPa |
ID : 104

