全文检索
指令检索
选择菜单
查阅本书的方法与操作方法
Detailed Description of Commands (By Functions)
机器人动作创建基本
智能TP操作指南
小型教导器操作指南
WINCAPSIII指南
错误列表
Parameter List
Description of Each Function
VM系列机器人的产品信息
VM系列机器人的安装
VM系列机器人的维护
安全注意事项
VL系列机器人的维护
VL系列机器人的产品信息
VL系列机器人的安装
MC9系列的产品信息
MC9系列的维护
MC9系列的安装
PacScript的详细说明
ID跳过
AND
OR
文字大小
小
中
大
HOME
设置
VLA系列机器人的安装
安装、连接步骤
机器人本体
工具的安装
安装方法
<< 向前
下一页 >>
安全注意事项
产品信息
设置
机器人动作创建
维护
付録
ID : 10722
安装方法
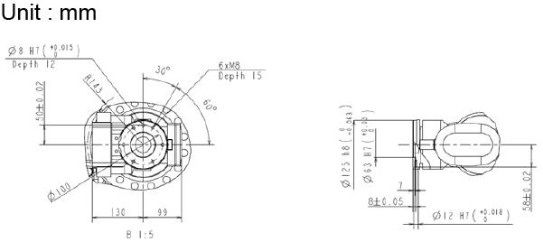
工具安装用孔
将工具安装到机器人的臂前端时,使用法兰上的安装用螺栓的螺纹孔和基准孔。
各孔的尺寸如下图所示。
ID : 10722
<< 向前
下一页 >>
本页相关信息
配线、配管、追加负载用螺丝孔
返回顶部