全文検索
コマンド検索
マニュアルを選択してください
本書の見方と操作方法
コマンドリファレンス
ロボット動作作成の基本
スマートTP操作ガイド
ミニペンダント操作ガイド
WINCAPSIIIガイド
エラーリスト
パラメータリスト
各機能の詳細説明
VMBシリーズロボットの製品情報
VMBシリーズロボットのセットアップ
VMBシリーズロボットのメンテナンス
安全上のご注意
VLAシリーズロボットのメンテナンス
VLAシリーズロボットの製品情報
VLAシリーズロボットのセットアップ
MC9シリーズの製品情報
MC9シリーズのメンテナンス
MC9シリーズのセットアップ
IDジャンプ
AND
OR
文字サイズ
小
中
大
HOME
セットアップ
VLAシリーズロボットのセットアップ
据付け、接続手順
ロボット本体
ツールの取付け
取付け方法
<< 前へ
次へ >>
安全上のご注意
製品情報
セットアップ
ロボット動作作成
メンテナンス
付録
ID : 10722
取付け方法
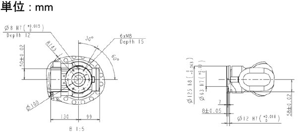
ツール取付け用の穴
ロボットの手先に、ツールを取付けるには、フランジにある取付け用ボルトのネジ穴と、基準穴を使用します。
下図に各穴の寸法を示します。
ID : 10722
<< 前へ
次へ >>
このページに関連する情報
配線、配管、追加負荷用のねじ穴
ページトップへ