ID : 4823
電磁弁の仕様
電磁弁の仕様
XRシリーズの電磁弁の仕様(オプション)
| 項 目 | 仕 様 | |
|---|---|---|
| バルブ | 切替方式 | 2位置ダブル |
| 使用流体 | 空気 | |
| 作動方式 | パイロット型 | |
| 有効断面積(Cv値) | 1.2mm2 | |
| 給 油 | 不要 | |
| 使用圧力範囲 | 0.2~0.7MPa | |
| 応答時間 | 10ms以下(0.5MPa時) | |
| 最大作動頻度 | 5Hz | |
| 周囲温度 | -10~50℃(結露なきこと。ドライエアー使用時) | |
| ソレノイド | 使用電圧 | 24V±10% |
| 消費電力(電流) | DC 0.35W(15mA)×4個 | |
| サージ電圧保護回路 | ツェナーダイオード |
XR2の電磁弁の仕様(標準装備)
| 項 目 | 仕 様 | |
|---|---|---|
| バルブ | 切替方式 | 2位置ダブル |
| 使用流体 | 空気 | |
| 作動方式 | パイロット型 | |
| 有効断面積(Cv値) | 1.2mm2 | |
| 給 油 | 不要 | |
| 使用圧力範囲 | 0.05~0.59MPa | |
| 応答時間 | 10ms以下(0.5MPa時) | |
| 最大作動頻度 | 5Hz | |
| 周囲温度 | -10~50℃(結露なきこと。ドライエアー使用時) | |
| ソレノイド | 使用電圧 | 24V±10% |
| 消費電力(電流) | DC 0.35W(15mA)×3個 | |
| サージ電圧保護回路 | ツェナーダイオード |
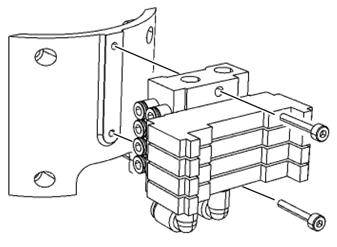
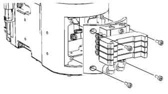
XRシリーズのオプションバルブ取付方法
XRシリーズのオプションバルブは以下の手順で取付けてください。
供給するエアにはエアフィルタ(ろ過度:5μm以下推奨)に通したドライエアを使用してください。 配管前にエアチューブ内をドライエアでエアブロー(フラッシング)してください。エアチューブ内の切粉、切削油、ゴミ等はバルブの故障につながることがあります。
1
カバーに貼ってあるシールをはがしてください。
六角穴付ボルト(M4)4本を外し、カバーを外してください。

2
ボルト(M4)2本でカバーにオプションバルブを取付けてください。
締め付けトルク:3.7±0.7N・m

3
オプションバルブに赤と青のコネクタをつなぎ、エアチューブをつないでください。

4
配線とエアチューブを挟まないようにオプションバルブを取付けてください。その際、エアチューブは折れのないようにしてください。
締付トルク:3.7±0.7N・m

電磁弁取扱い上の注意
電磁弁に力を加えないでください。エアー漏れや破損する恐れがあります。

ID : 4823

