<< 前へ        次へ >>

ID : 844

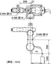
配線・配管固定用に使用できる既設ねじ

(VM-6083シリーズ)

(VM-60B1シリーズ)

保守・点検のためにロボットのカバーを脱着することがあります。配線・配管固定用のステーはカバー脱着の支障にならないように設置してください。

ID : 844

<< 前へ        次へ >>