<< 向前        下一页 >>

ID : 2394

机器人本体的固定方法

1

按照下图尺寸,在安装台的机器人固定位置钻4个螺栓孔和2个定位销钉孔。

机器人固定用孔(4处) M8、深度20mm以上
定位销钉用孔(2处) φ6H7、深度10mm以上
2

将带内螺纹的定位销钉打入 [φ6H7]的孔中。

3

将机器人本体置于固定位置。

4

通过4根本体固定螺栓和平垫圈固定机器人。

  • 本体固定螺栓:M8×30mm(强度区分12.9)
  • 紧固力矩:19.6±3.92Nm

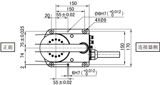
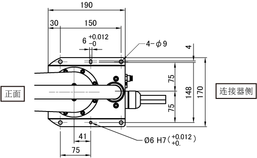
本体固定螺栓的位置

LPH-040A1时

LPH-060A1、LPH-070A1时

ID : 2394

<< 向前        下一页 >>