ID : 5446
VS-6577型 3軸メカストッパ製作図面例
お客様に準備していただく3軸メカエンド変更のために必要な準備品を下図に示します。
取付図
|
図が見えにくい場合はこちらをご覧ください。(PDF:239KB) |
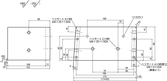
ストッパの参考図
|
材質:A5083P-H32 注:接合部は溶接構造 |
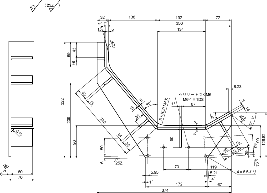
ステーの参考図
|
材質:A2017BE-T4 |
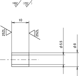
スペーサの参考図
|
材質:S45C |
ID : 5446
ID : 5446
お客様に準備していただく3軸メカエンド変更のために必要な準備品を下図に示します。
|
図が見えにくい場合はこちらをご覧ください。(PDF:239KB) |
|
材質:A5083P-H32 注:接合部は溶接構造 |
|
材質:A2017BE-T4 |
|
材質:S45C |
ID : 5446