ID : 5444
VS-6556 3軸メカエンドの製作図面例
お客様に準備していただく3軸メカエンド変更のために必要な準備品を下図に示します。
取付図
|
図が見えにくい場合はこちらをご覧ください。(PDF:293KB) |
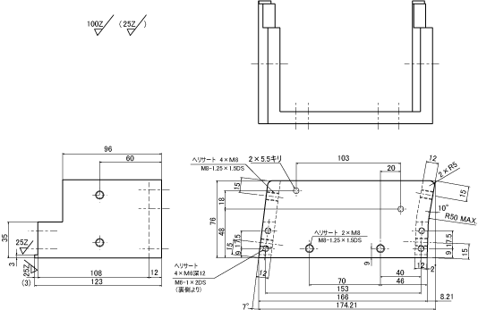
ステーの参考図
|
材質:A2017-T4 |
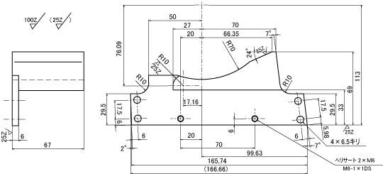
メカエンドストッパの参考図
|
材質:A2017-T4 |
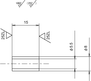
メカエンド スペーサの参考図
|
材質:S45C |
ID : 5444
ID : 5444
お客様に準備していただく3軸メカエンド変更のために必要な準備品を下図に示します。
|
図が見えにくい場合はこちらをご覧ください。(PDF:293KB) |
|
材質:A2017-T4 |
|
材質:A2017-T4 |
|
材質:S45C |
ID : 5444