ID : 5432
ロボットの設置方法
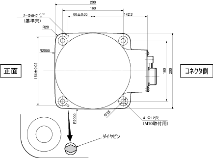
- 設置台のロボット固定位置に下図の寸法に従って、ボルト穴4箇所(M10)を深さ20mm以上、ノックピン穴2箇所(ダイヤピン用穴φ4H7、メネジ付位置決めピン用穴φ6H7)を深さ10mm以上開けます。
- ダイヤピンをダイヤピン用穴φ4H7に打ち込みます。このとき、ダイヤピンが下図の方向になるように打ち込んでください。

- メネジ付位置決めピンをφ6H7に打ち込みます。
ノックピンの打ち込みは必ず実施してください。保守作業時などのロボット本体の脱着や、振動による位置ズレを最小限におさえることができます。 - ロボットを固定位置に置きます。 ロボットを運搬するときは、「ロボット本体の運搬」の説明にしたがってください。
- 本体固定ボルト4本と平座金でロボットを固定します。
- 本体固定ボルト:M10×30mm(強度区分12.9)
- 締め付けトルク:70±14Nm
ID : 5432

