ID : 2931
ロボット本体の固定方法
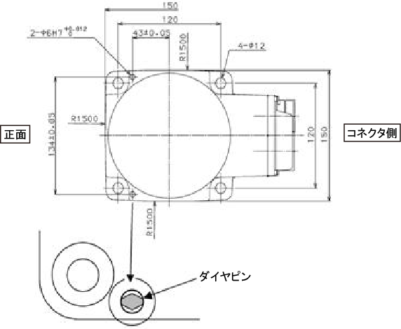
1
下図の寸法に従って、設置台のロボット固定位置にボルト穴4カ所と位置決めピン穴2カ所を穴あけします。
| ロボット固定用穴(4箇所) | M10、深さ20mm以上 | |
|---|---|---|
| 位置決めピン用穴(2箇所) | ダイヤピン用 | φ4H7、深さ10mm以上 |
| めねじ付位置決めピン用 | φ6H7、深さ10mm以上 | |
2
ダイヤピンをダイヤピン用穴[φ4H7]に打ち込みます。このとき、ダイヤピンが下図の方向になるように打ち込んでください。
3
めねじ付位置決めピンを穴[φ6H7]に打ち込みます。
ノックピンの打ち込みは必ず実施してください。保守作業時などのロボット本体の脱着や振動による位置ズレを最小限に押さえることができます。
4
ロボット本体を、固定位置に置きます。
5
本体固定ボルト4本と平座金でロボットを固定します。
- 本体固定ボルト:M10×30mm(強度区分12.9)
- 締め付けトルク:70±14Nm
本体固定ボルトの位置
|
|
ID : 2931


