ID : 2840
[PNPタイプ] RC8シリーズ 汎用出力・専用出力・ハンド出力の回路
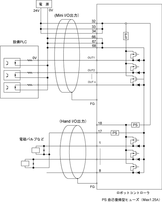
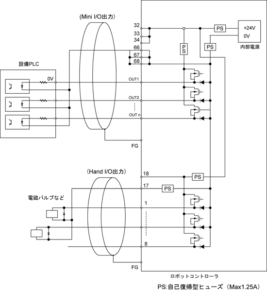
ロボットコントローラの汎用出力・専用出力・ハンド出力の回路構成と接続例を、下図に示します。
- 汎用・専用出力回路はオープンコレクタ出力です。
- 最大許容吸い込み電流は70mAです。
PLC・リレーコイルなど接続する機器の消費電流は、必ず許容電流以下としてください。 - リレーコイルなどの誘導負荷は、ダイオード内蔵型(逆起電力吸収用)のものを選定してください。
ダイオードが内蔵されていない物を使う場合は、コイルのすぐ近くに、ダイオード1S1888(東芝)相当品を取付けてください。
ダイオードを外付けにする場合は、ダイオードの極性に注意してください。極性を誤ると、出力回路を破損させるおそれがあります。
- ランプを接続する場合は、ランプの定格を0.5W以下にして暗電流を流す回路としてください。
ランプは初期抵抗が小さく、ON時の突入電流により出力回路 が破損する場合がありますので、注意してください。
突入電流を下げるため、消灯時に定格電流の1/3以下の暗電流が流れるよう、抵抗Rを選定し、接続してください。
下図を参照してください。
- 使用するケーブルは外部ノイズからの保護のため、多芯シールド線を使用してください。シールド線は、ロボットコントローラ側で接地してください。
- 内部電源の最大許容電流容量は、Mini I/O、Hand I/O、パラレルI/Oの合計で1.3Aです。内部電源を使用する場合は、必ずこの許容値の範囲内でお使いください。
- 内部電源出力+24Vは接地しないでください。
内部電源出力+24Vを接地すると、コントローラを破損させるおそれがあります。
- コントローラ電源投入後、ソフトウェア起動処理が完了するまでは、過度状態のため、信号として使用しないでください。
外部電源使用の場合

内部電源使用の場合

ランプ接続回路例(PNPタイプI/O)

ID : 2840

