ID : 2633
[NPNタイプ] RC8A 非常停止回路
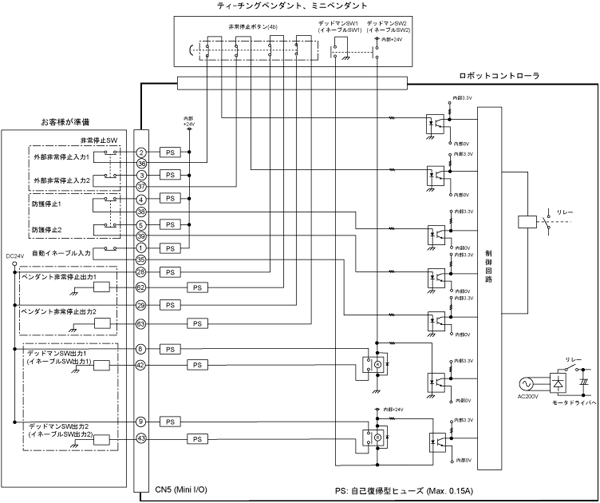
セーフティI/Oレス仕様の場合
ロボットコントローラの非常停止の回路構成と接続例を以下に示します。
非常停止回路は2重安全を基本として構成します。
ティーチングペンダントの非常停止スイッチを設備等の非常停止として使用できます。
ペンダント非常停止出力について
ペンダント非常停止出力(ドライ出力)
ティーチングペンダントの非常停止ボタン(4b)の2接点が接続されています。 コントローラ電源のON、OFFに関わらず出力されます。
非常停止回路例

図が見にくい場合はこちらをご覧ください。(PDF:161KB)
ID : 2633

