ID : 2619
[NPNタイプ] RC8A 汎用入力・専用入力・ハンド入力の回路
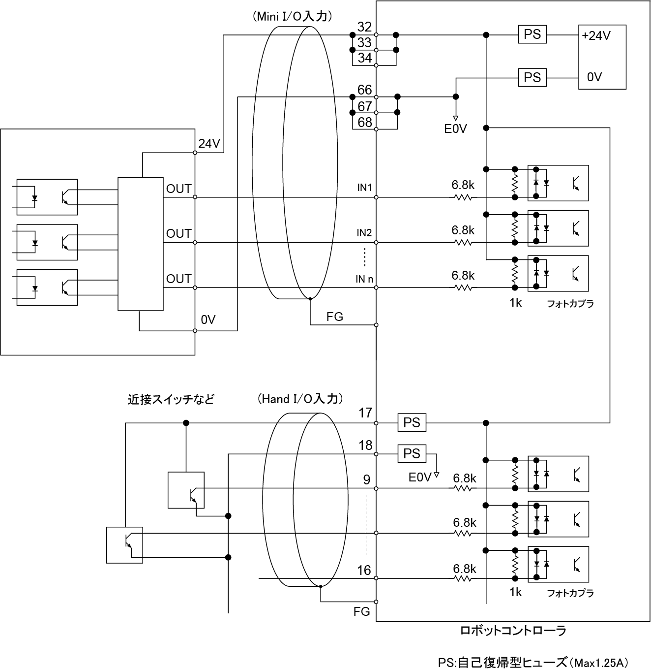
ロボットコントローラの汎用入力・専用入力・ハンド入力の回路構成と接続例を下図に示します。
- ロボットコントローラの入力端子には、PLC以外に近接スイッチやリレー接点などを直接接続できます。
- 近接スイッチは漏れ電流1mA以下であれば接続可能です。
- 使用するケーブルは、外部ノイズからの保護のため、多芯シールド線を使用してください。シールド線はロボットコントローラ側で接地してください。
- 内部電源の最大許容電流容量は、Mini I/O、Hand I/O、パラレルI/Oの合計で1.3Aです。内部電源を使用する場合は、必ずこの許容値の範囲内でお使いください。
外部電源使用の場合

内部電源使用の場合

ID : 2619

