ID : 2347
[NPNタイプ] RC8A 安全回路
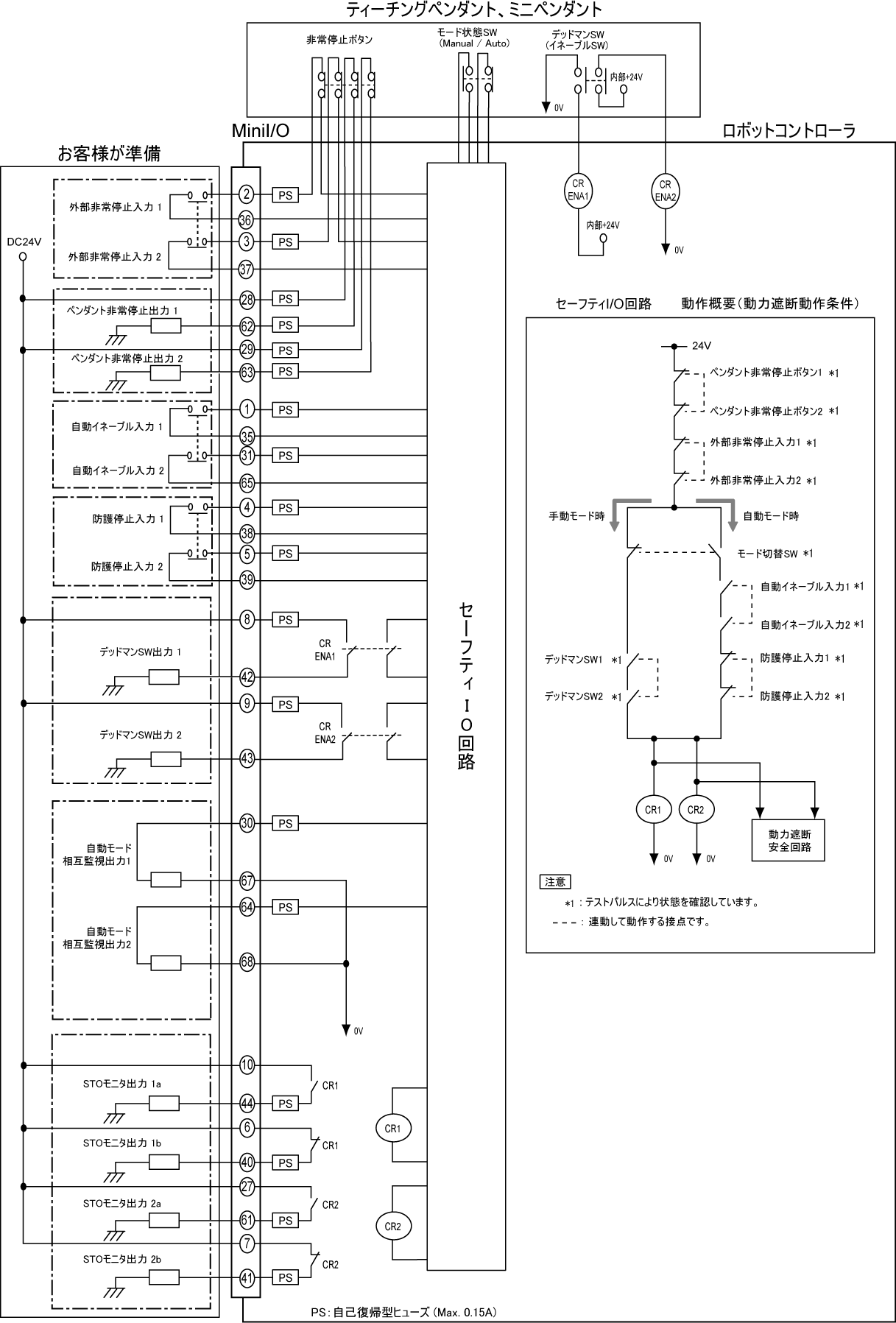
コントローラの安全回路の内部接続等価回路を下図に示します。実際の安全回路はセーフティリレー等から構成されています。
安全回路

図が見にくい場合はこちらをご覧ください。(PDF:223KB)
非常停止と防護停止・自動イネーブルOFFにおける停止状態の違い
- 非常停止はモータが遮断し、プログラムリセット(但し、コンティニュ設定のコンティニュパラメータがデフォルト(0:無効)の場合)
- 「防護停止」・「自動イネーブルOFF」はモータが遮断し、コンティニュ停止状態
ID : 2347

