ID : 2394
ロボット本体の固定方法
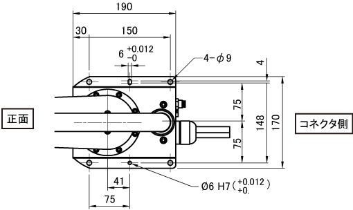
1
下図の寸法に従って、設置台のロボット固定位置にボルト穴4カ所と位置決めピン穴2カ所を穴あけします。
| ロボット固定用穴 (4箇所) | M8、深さ20mm以上 |
|---|---|
| 位置決めピン用穴 (2箇所) | φ6H7、深さ10mm以上 |
2
めねじ付位置決めピンを穴 [φ6H7] に打ち込みます。
3
ロボット本体を、固定位置に置きます。
4
本体固定ボルト4本と平座金でロボットを固定します。
- 本体固定ボルト : M8×30mm (強度区分12.9)
- 締め付けトルク : 19.6±3.92Nm
本体固定ボルトの位置
LPH-040A1の場合
|
LPH-060A1、LPH-070A1の場合
|
ID : 2394



